73ZYJ-AS PMDC geared motor
Product Introduction:
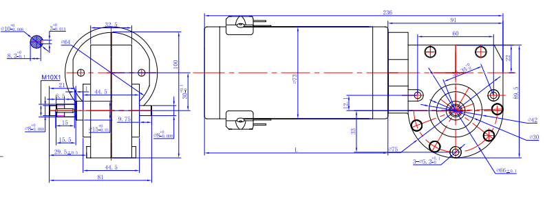
The 73ZYJ-AS DC permanent magnet geared motor consists of a 73ZY DC permanent magnet motor and a worm gear reducer. It is mainly used in welding equipment, offering stable motor speed and adjustable forward and reverse operation. It is suitable as a drive element for wire feeding mechanisms in welding equipment.
Motor Technical Data
|
Motor Model Type |
Voltage V |
Torque Nm |
Current A |
rotational speed r/min |
power W |
length cm |
|
7 3ZY- 145 |
48 |
0.3 |
5 |
2200 |
130 |
145 |
Gearbox Technical Data
|
Reduction ratio Ratio |
Gearbox size Length * Width * Height |
No-load speed r/min |
Load speed r/min |
Rated torque Nm |
Maximum allowed load Nm |
|
25:1 |
91*90*45 |
100 |
88 |
7 |
15 |
|
40:1 |
91*90*45 |
63 |
5 |
11 |
25 |


























XINDA