90ZYJ-08 DC geared motor
Product Introduction:
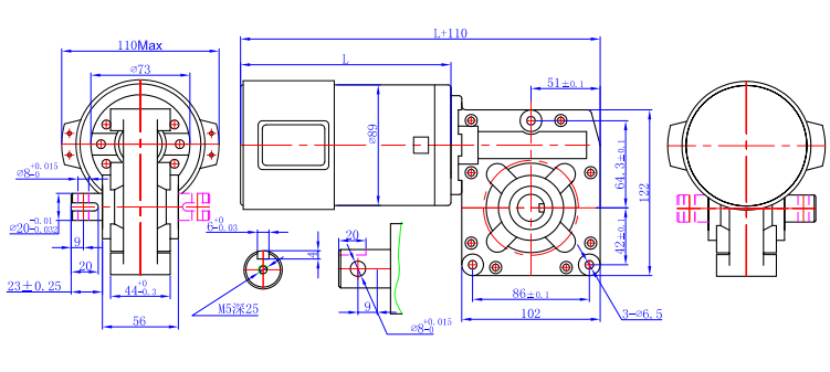
The 90ZYJ08 DC permanent magnet geared motor consists of a DC permanent magnet motor and a worm gear reducer. Its features include compact structure, small size, high power, smooth operation, low noise, and reversible rotation. It is suitable as a drive element in drive systems and as an actuator in control systems, such as in recreational vehicles, woodworking machinery, and lifting devices .
Motor Technical Data
|
Motor Model Type |
Voltage V |
Torque Nm |
Current A |
rotational speed r/min |
power W |
length cm |
|
90ZY - 155 |
12/24 |
0.88 |
34/17 |
3200 |
300 |
155 |
|
90ZY-200 |
12/24 |
1.5 |
60/30 |
3000 |
500 |
200 |
Gearbox Technical Data
|
Reduction ratio Ratio |
Gearbox size Length * Width * Height |
No-load speed r/min |
Load speed r/min |
Rated torque Nm |
Maximum allowed load Nm |
|
50:1 |
102*122*56 |
80 |
65 |
22.5 |
60 |


























XINDA